QX-21全自动罐装包装机
1.简要说明
该系列罐装机能完成喂罐、托罐、充填计量、称重选别等工作,可与其它设备配套组成整套罐装流水线,适用于充填眼影粉、闪粉、胡椒粉、辣椒粉、奶粉、米粉、蛋白粉、豆奶粉、鸡粉、咖啡粉、药粉、添加剂、香精香料等。
该系列罐装机能完成喂罐、托罐、充填计量、称重选别等工作,可与其它设备配套组成整套罐装流水线,适用于充填眼影粉、闪粉、胡椒粉、辣椒粉、奶粉、米粉、蛋白粉、豆奶粉、鸡粉、咖啡粉、药粉、添加剂、香精香料等。

2.主要特征
全不锈钢结构;水平开启式料箱,清洗方便。
伺服马达及伺服驱动控制螺杆,性能稳定。
PLC、触摸屏及称重模块控制。
配有位置合理的高度调节手轮,方便调整机头高度。
气动托罐装置,保证充填时物料不洒出容器外。
各种产品调整参数配方可储存,备后使用,不超过储存10个配方。
替换螺旋附件,能够适应超细粉到小颗粒等多种物料。
3.主要参数
4.配置清单
全不锈钢结构;水平开启式料箱,清洗方便。
伺服马达及伺服驱动控制螺杆,性能稳定。
PLC、触摸屏及称重模块控制。
配有位置合理的高度调节手轮,方便调整机头高度。
气动托罐装置,保证充填时物料不洒出容器外。
各种产品调整参数配方可储存,备后使用,不超过储存10个配方。
替换螺旋附件,能够适应超细粉到小颗粒等多种物料。
3.主要参数
| 容器尺寸 | φ20-100mm,H 15-300mm |
| 罐装重量 | 1 – 1000g |
| 罐装精度 | ≤ 100g,≤±2%;100 – 500g,≤±1% |
| 罐装速度 | 20 - 50 bottles/min |
| 电源 | 3P AC208-415V 50/60Hz |
| 压缩空气 | 6 kg/cm2 0.05m3/min |
| 整机功率 | 1.2Kw |
| 整机重量 | 200kg |
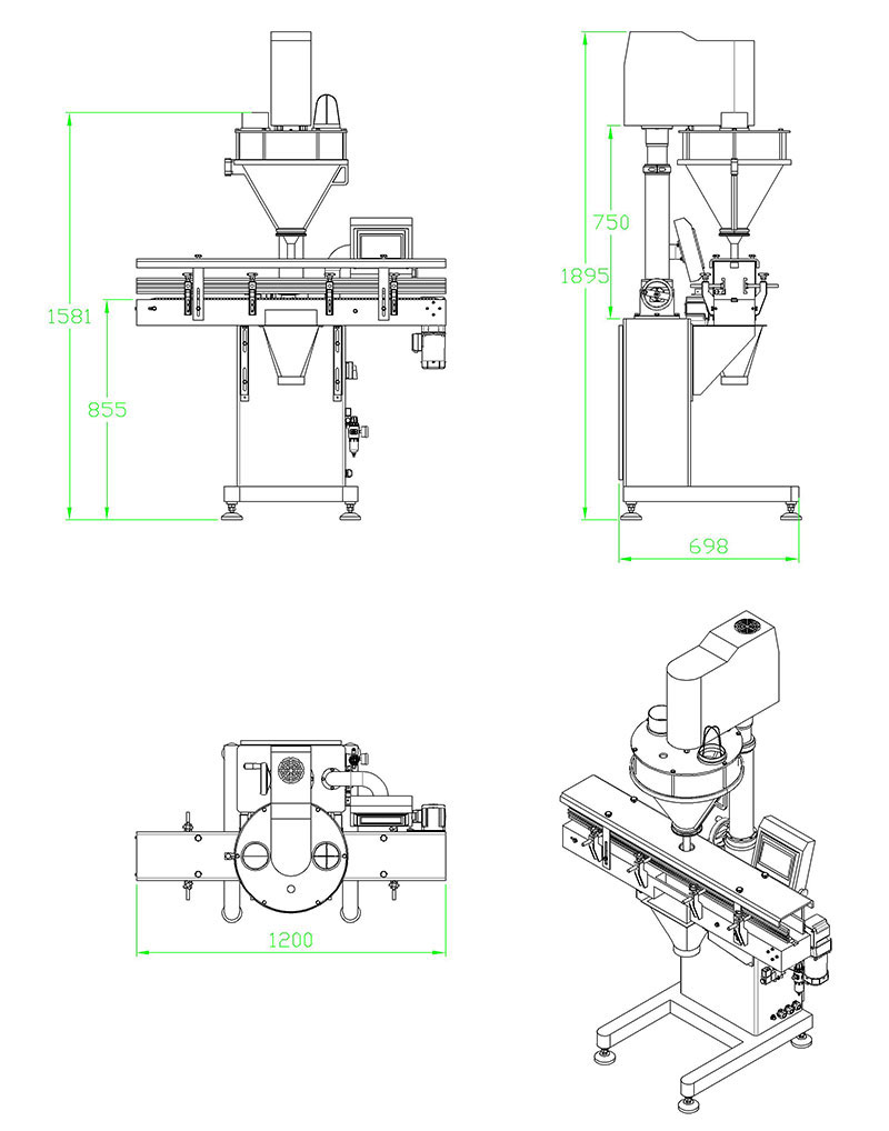
| 整机体积 | 1200×700×1900mm |
| 料箱容积 | 25L |
| 序号 | 名称 | 型号规格 | 产地品牌 |
| 1 | 不锈钢 | SUS304 | 中国 |
| 2 | PLC | 台湾台达 | |
| 3 | 触摸屏 | 台湾台达 | |
| 4 | 充填伺服马达 | 750W | 台湾台达 |
| 5 | 充填伺服驱动器 | 750W | 台湾台达 |
| 8 | 搅拌减速电机 | 200W | 台湾晟邦 |
| 9 | 电磁阀 | 台湾亚德客 | |
| 10 | 气缸 | TN26X20 | 台湾亚德克 |
| 11 | 过滤调压器 | AFR-2000 | 台湾亚德克 |
| 12 | 小功率电机 |
120W 1300rpm Model: 90YS120GY38 |
台湾JSCC |
| 13 | 减速机 |
Ratio:1:36 Model: 90GK(F)36RC |
台湾JSCC |
| 14 | 电源开关 | HZ5BGS | 温州长信 |
| 15 | 断路器 | 施耐德 | |
| 16 | 急停开关 | 施耐德 | |
| 17 | 滤波器 | ZYH-EB-10A | 北京中宇豪 |
| 18 | 交流接触器 | CJX2 1210 | 温州正泰 |
| 19 | 热继电器 | NR2-25 | 温州正泰 |
| 20 | 直流继电器 | MY2NJ 24DC | 日本欧姆龙 |
| 21 | 开关电源 | 常州诚联 | |
| 22 | 光电传感器 | BR100-DDT | 韩国奥托尼克斯 |
| 23 | 料位传感器 | CR30-15DN | 韩国奥托尼克斯 |
5.工作原理
罐子进入输送带,罐子随链板向前移动,当罐子被探罐光电感应到后,止罐汽缸动作,将罐子限位,然后托罐汽缸动作将罐子托起,伺服电机动作,带动螺旋将物料填充到罐子中,在下料的过程中,气震产生振动使物料容易沉积,充填计量完毕,伺服电机停止,汽缸复位,完成一次计量包装。
6.整机尺寸
罐子进入输送带,罐子随链板向前移动,当罐子被探罐光电感应到后,止罐汽缸动作,将罐子限位,然后托罐汽缸动作将罐子托起,伺服电机动作,带动螺旋将物料填充到罐子中,在下料的过程中,气震产生振动使物料容易沉积,充填计量完毕,伺服电机停止,汽缸复位,完成一次计量包装。
6.整机尺寸

上一篇:BZ-24C螺旋计量包装机
下一篇:XY-QX-23型自动罐装包装机

快速链接:
产品展示:
联系我们:
苏公网安备32020602003192号